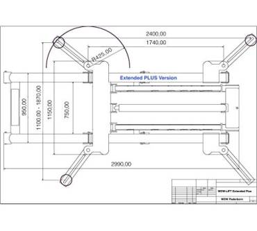
Mobil kann man die Hebebühne von PM Tools mit ihren satten 270 kg beim besten Willen nicht mehr nennen. Die Bühne verlangt also schon einen festen Stellplatz in einer entsprechend großen Garage. Dabei reichen die rund 2 x 1,10 Meter der Grundmaße nicht aus: Beim Anheben auf bis zu 1 Meter Hubhöhe erfolgt durch die Konstruktion als Parallelogramm eine Verschiebung der Auflageflächen nach hinten. Zweites Manko: Trotz der ordentlichen Hubhöhe lassen sich wegen der dann unter dem Fahrzeug befindlichen Bühnenteile kaum Unterboden-Arbeiten erledigen. Wer das möchte, braucht noch zusätzliche vier Reifen-Stützböcke, auf die das Fahrzeug dann gesetzt werden kann. Das aber schraubt den schon an sich stolzen Preis von fast 2.800 Euro nochmal um rund 500 Euro nach oben. Zwar schafft der WDW Lift Etended ordentliche 2,8 Tonnen nach oben. Wem aber auch 2,5 Tonnen Belastbarkeit und ein knapper halber Meter Hubhöhe reichen, sollte sich den Kunzer WK 8025 zumindest einmal ansehen. Der ist schon für weniger als 2000 Euro zu haben.
-
- Erschienen: 13.04.2018 | Ausgabe: 15/2018
- Details zum Test









