
KFV Haustür-Austauschstück 115 hell verzinkt Türsicherungen, robustes und langlebiges Austauschstück für erhöhte Sicherheit Ihrer Haustür.
- Hersteller: KFV
- Farbe: silber
Preisvergleich ab 22,95 € bis 57,34 €
-
Bestes Angebot
KFV Haustür-Austauschstück 115 hell verzinkt
Oberfläche: hell verzinkt | Merkmale: Tagesfalle 115-A # Mechanische Tagesfalle zur Nachrüstung oder zum standardmäßigen Einsatz in KFV Schließblechen mit Fallenrutschentechnik. Einfache Umstellung der Tag/Nacht-Funktion ohne Werkzeug durch Sperrschieber, DIN rechts/links verwendbar, mit Stahl-Abdeckung.
22,95 €
zzgl. 6,90 € VersandKFV Haustür-Austauschstück 115 hell verzinkt
Oberfläche: hell verzinkt | Merkmale: Tagesfalle 115-A # Mechanische Tagesfalle zur Nachrüstung oder zum standardmäßigen Einsatz in KFV Schließblechen mit Fallenrutschentechnik. Einfache Umstellung der Tag/Nacht-Funktion ohne Werkzeug durch Sperrschieber, DIN rechts/links verwendbar, mit Stahl-Abdeckung.
-
KFV Haustür-Austauschstück 115 hell verzinkt
Produktart: Mehrfachverriegelungen, Oberfläche: hell verzinkt
22,98 €
zzgl. 6,90 € VersandKFV Haustür-Austauschstück 115 hell verzinkt
Produktart: Mehrfachverriegelungen, Oberfläche: hell verzinkt
-
Kfv - Ht-austauschstück,115-a Hell Verz.
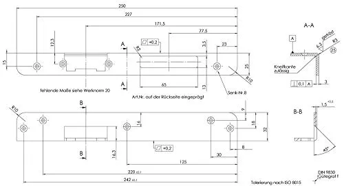
KFV, Türrahmen-Austauschstück, Ausführung: ohne Schließblech, Material: Zinkdruckguss, Farbton: hell, Oberfläche: verzinkt, Modell: ATS TAGESFALLE, Modellnummer: 115-A, Ergänzung: mit verstellbarer Falle, DIN-Richtung: DIN Links-Rechts, Befestigungsart: zum Aufschrauben, Bauform: symmetrisch, Breite: 16,5 mm, Höhe: 63 mm, Tiefe: 16,5 mm, Funktion: ohne elektrische Funktion, Entriegelung: mechanisch, Einbaulage: senkrecht, Türart: Abschlusstür, Türflügelanzahl: einflügelig, Türausprägung: Türe gefälzt, Rahmenwerkstoff: Holz, Aluminium, Kompatibel: zu Standard Schließblech, Zulassung: entsprechende Standard Zulassung
26,49 €
zzgl. 5,95 € VersandKfv - Ht-austauschstück,115-a Hell Verz.
KFV, Türrahmen-Austauschstück, Ausführung: ohne Schließblech, Material: Zinkdruckguss, Farbton: hell, Oberfläche: verzinkt, Modell: ATS TAGESFALLE, Modellnummer: 115-A, Ergänzung: mit verstellbarer Falle, DIN-Richtung: DIN Links-Rechts, Befestigungsart: zum Aufschrauben, Bauform: symmetrisch, Breite: 16,5 mm, Höhe: 63 mm, Tiefe: 16,5 mm, Funktion: ohne elektrische Funktion, Entriegelung: mechanisch, Einbaulage: senkrecht, Türart: Abschlusstür, Türflügelanzahl: einflügelig, Türausprägung: Türe gefälzt, Rahmenwerkstoff: Holz, Aluminium, Kompatibel: zu Standard Schließblech, Zulassung: entsprechende Standard Zulassung
-
Format 4053569191531 – Ht-austauschstñck.115. h.verz.
EAN:4053569191531
29,90 €
zzgl. 0,00 € VersandFormat 4053569191531 – Ht-austauschstñck.115. h.verz.
EAN:4053569191531
-
HT-Austauschstück,115-A hell verz.
Tagesfalle 115-A • Mechanische Tagesfalle zur Nachrüstung oder zum standardmäßigen Einsatz in KFV-Schließblechen mit Fallenrutschentechnik • Einfache Umstellung der Tag/Nacht-Funktion ohne Werkzeug durch Sperrschieber • DIN rechts/links verwendbar • Mit Stahl-Abdeckung
57,34 €
zzgl. 4,99 € VersandHT-Austauschstück,115-A hell verz.
Tagesfalle 115-A • Mechanische Tagesfalle zur Nachrüstung oder zum standardmäßigen Einsatz in KFV-Schließblechen mit Fallenrutschentechnik • Einfache Umstellung der Tag/Nacht-Funktion ohne Werkzeug durch Sperrschieber • DIN rechts/links verwendbar • Mit Stahl-Abdeckung
Preisentwicklung
Preisentwicklung der letzten 90 Tage. Gebrauchtangebote nicht enthalten.
Gut zu wissen
Passende Alternativen

21,26 €
3 Angebote vergleichen

10,88 €
20 Angebote vergleichen

13,02 €
13 Angebote vergleichen

27,98 €
11 Angebote vergleichen

9,49 €
7 Angebote vergleichen

11,50 €
5 Angebote vergleichen

25,97 €
13 Angebote vergleichen

14,99 €
16 Angebote vergleichen

33,97 €
8 Angebote vergleichen

20,74 €
14 Angebote vergleichen
Aktuell beliebt

3,12 €
7 Angebote vergleichen

44,40 €
6 Angebote vergleichen

2,96 €
11 Angebote vergleichen

18,78 €
10 Angebote vergleichen